收藏本站
嗨!欢迎来到
虎朋网
!
中文简体
English
搜索
汉钟
利欧
manual
冷水机
叉车
所有产品分类
空气处理设备
后处理
鼓风机
空压机
除湿机
烘干机
冷干机
工程安装服务
暖通工程
机电安装
管道工程
空调暖通设备
空调末端
空调主机
环保空调
风机风扇
热泵机组
工位空调
机械加工设备
加工中心
工业机器人
车床
铣床
滤油机
电焊机
电机电器设备
电动机
发电机组
配电柜
变压器
管道给水设备
工业泵
水泵
泵站
阀门
水箱
水处理
制冷制热设备
锅炉
冷水机
冷却塔
冰蓄能
油冷机
冷冻机
热水机
仓储环卫设备
电梯
清洗机
叉车
清运车
货架
扫地机
首页
热销推荐
我们的优势
品牌入驻
如何购买
首页
管道给水设备
水泵
为您推荐
A系列内燃叉车1-3.8吨
DWW无油空压机
R134A制冷剂BHLXS离心式冷水机组,环保、高效!
〖南方泵业〗
NSC单级双吸中开式离心泵
AA级 - 行业先锋
品牌故事
商标权属:
南方泵业股份有限公司
400-678-6995 / 021-59946780
在线咨询
加入收藏
选型列表
序号
采购操作
1
加入 购物车
相关产品
CDMF+CMH系列立式高压泵
NISO-NIS-NISF端吸离心泵
XBD-VM(WY) 系列立式多级消防泵(立式多级稳压缓冲消防泵)
CDM,CDMF轻型立式多级离心泵
LPP立式管道泵
270D/271D系列蝶阀
BRD电子除垢仪
容积式旋流过滤器
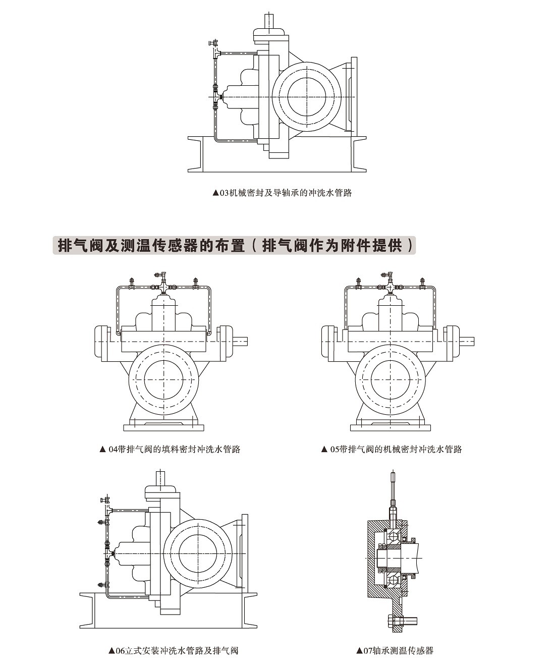
产品介绍
性能参数
NSC单级双吸中开式离心泵